Sonde pression d huile
Règles du forum
Pour plus de simplicité, les règles d'utilisation du forum ont été revues et regroupées dans un seul et unique post.
Merci d'en prendre connaissance sans tarder en cliquant ici
Pour plus de simplicité, les règles d'utilisation du forum ont été revues et regroupées dans un seul et unique post.
Merci d'en prendre connaissance sans tarder en cliquant ici
Sonde pression d huile
Je vais acheter un mano de pression d huile et j aurai voulu savoir ou est l emplacement optimal de la sonde ?
Merci
Merci

Votre renault sport, le lien le plus solide qui vous unis à votre garagiste ...
- teamjegc
- Mordu

- Messages : 852
- Enregistré le : 22 sept. 2009, 21:42
- Localisation : Vivonne
- Has thanked : 38 times
- Been thanked : 36 times
Re: Sonde pression d huile
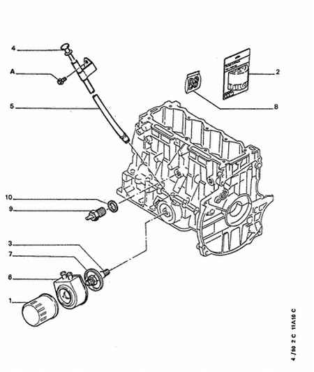
Sur le devant du bloc, juste derrière le collecteur d'échappementbastoon a écrit :Je vais acheter un mano de pression d huile et j aurai voulu savoir ou est l emplacement optimal de la sonde ?
Merci
Re: Sonde pression d huile
Tu as une photo Jeremy ?

Votre renault sport, le lien le plus solide qui vous unis à votre garagiste ...
- teamjegc
- Mordu

- Messages : 852
- Enregistré le : 22 sept. 2009, 21:42
- Localisation : Vivonne
- Has thanked : 38 times
- Been thanked : 36 times
Re: Sonde pression d huile
Tu mets ton capteur à la place de la sonde d'origine (Repère 9 sur l'image) mais Jean luc 13 avait fait un super montage sur ça groupe A avec un flexible avia pour déporté le capteur sur le longeronbastoon a écrit :Tu as une photo Jeremy ?
Re: Sonde pression d huile
Il sert a quoi le capteur ?

Votre renault sport, le lien le plus solide qui vous unis à votre garagiste ...
- scale33
- Membre du Club 2026

- Messages : 10862
- Enregistré le : 11 mai 2005, 14:27
- Localisation : Aquitaine
- Been thanked : 63 times
- Contact :
Re: Sonde pression d huile
D accord bon alors je vais mettre une belle sonde double à la place 

Votre renault sport, le lien le plus solide qui vous unis à votre garagiste ...
- scale33
- Membre du Club 2026

- Messages : 10862
- Enregistré le : 11 mai 2005, 14:27
- Localisation : Aquitaine
- Been thanked : 63 times
- Contact :
Re: Sonde pression d huile
Oui avec l'adaptateur qui va bien,......demandes à J-Luc13 pour l'installation.

- tmrallye
- Pilier de bar

- Messages : 2004
- Enregistré le : 15 oct. 2007, 16:24
- Localisation : 90 Cité du Lion
- Has thanked : 19 times
- Been thanked : 68 times
Re: Sonde pression d huile
Mets une belle sonde double, c'est une bonne chose....mais surtout pas "à la place" de celui d'origine !!!bastoon a écrit :D accord bon alors je vais mettre une belle sonde double à la place
Si tu la mets là, ta sonde va surchauffer avec le collecteur et le tube d'échappement...et au final va cuire et claquer !
Le mieux c'est de mettre un adaptateur (sur le bloc) sur lequel tu visses un flexible pour déporter ta sonde afin de la protéger de la chaleur (excessive pour une sonde de pression d'huile) de l'échappement.
Ensuite il te restera à fixer ta sonde à l'endroit de ton choix, par exemple sur la traverse supérieure, sur la joue d'aile, ou comme je l'ai fait sur la partie supérieure du radiateur !
La vie en glissade c'est magnifique, la vie sur des rails c'est monotone ! (Ari VATANEN)
Re: Sonde pression d huile
Merci du conseil !
JL si tu passe par la je veux bien voir les photos de ton instal
JL si tu passe par la je veux bien voir les photos de ton instal

Votre renault sport, le lien le plus solide qui vous unis à votre garagiste ...
- jean-luc13
- Membre du Club 2026

- Messages : 13517
- Enregistré le : 20 févr. 2004, 11:48
- Localisation : dépt 13
- Has thanked : 485 times
- Been thanked : 1121 times
- Contact :
Re: Sonde pression d huile
bastoon a écrit :Merci du conseil !
JL si tu passe par la je veux bien voir les photos de ton instal

site Rallye13Photos: http://www.rallye13photos.com/
"le démarrage matinal d'une 205 Rallye ne sera jamais un acte banal" (Echappement)
Re: Sonde pression d huile
La sonde d origine c est un thermo contact mais a température il se déclenche ?

Votre renault sport, le lien le plus solide qui vous unis à votre garagiste ...
- jean
- Membre du Club 2026

- Messages : 19684
- Enregistré le : 03 juin 2006, 09:29
- Localisation : En Dombes
- Has thanked : 1617 times
- Been thanked : 1154 times
Re: Sonde pression d huile
La température exacte de déclenchement ça doit être troptard°C
La 205 rallye : Un modèle qui délivre l’une des expériences de conduite les plus radicales jamais proposées par une traction.




