fils faisceau allumage 205 Rallye

Le reste quoi
Règles du forum
Pour plus de simplicité, les règles d'utilisation du forum ont été revues et regroupées dans un seul et unique post.
Merci d'en prendre connaissance sans tarder en cliquant ici
Répondre
Avatar du membre
MIKA1198
Régulier
Régulier
Messages : 32
Enregistré le : 19 juin 2019, 10:24
Been thanked : 11 times

fils faisceau allumage 205 Rallye

Message par MIKA1198 »

Bonjour à tous,

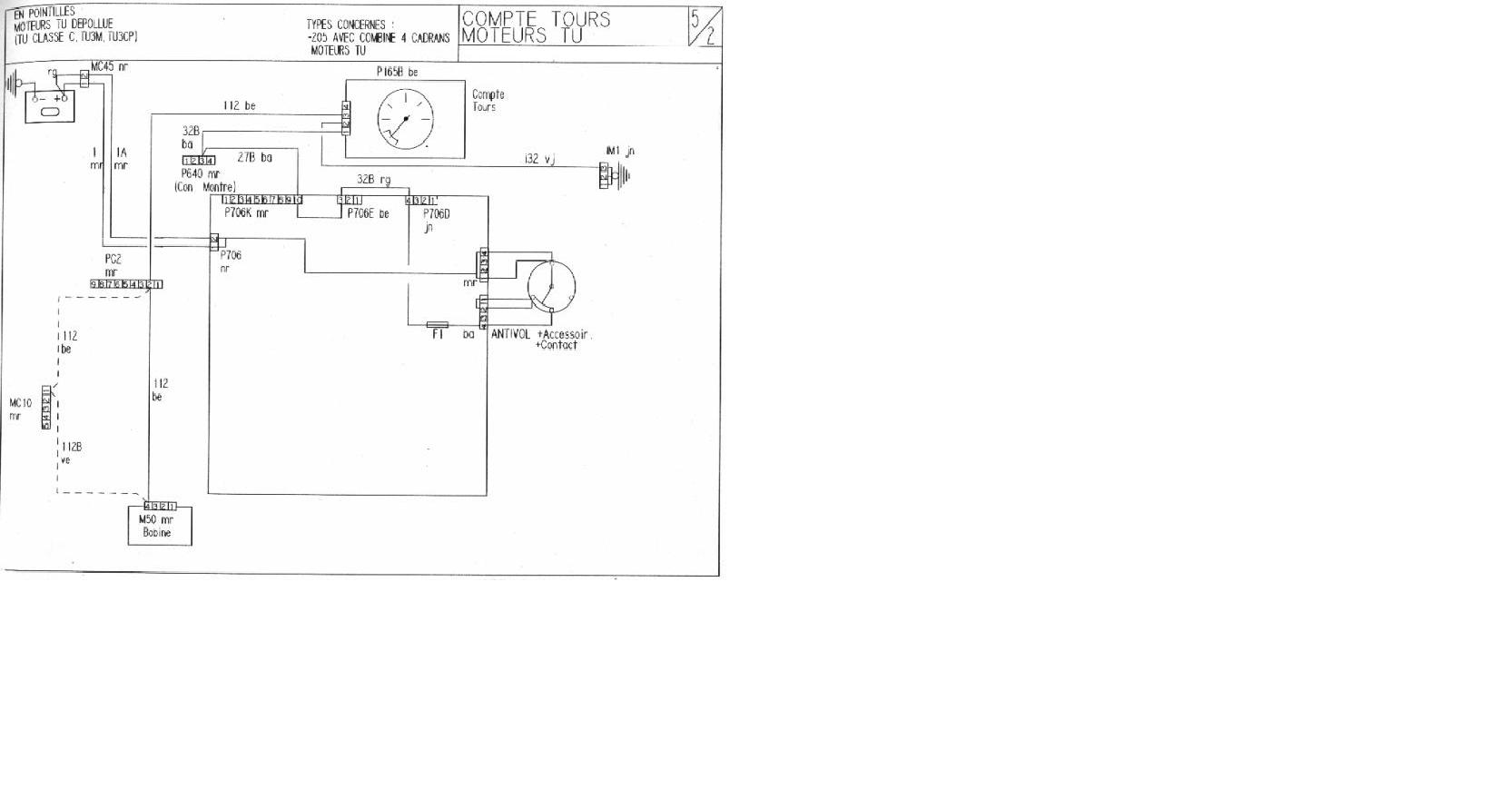
Dans mon suivi de recherche de panne bobine (sujet bobine allumage brulée) je recherche des infos sur les fils qui sortent du connecteur bobine.
Il y a 4 fils, d'après le schéma on a:
- borne 2, le compte tour (112) qui est doublé pour aller à la planche de bord (MC50)
- borne 3, le plus après contact via la platine (2A)

Maintenant j'ai des doutes et j'en appel à vos lumières:
- borne 1: Pas de borne 1 sur le schéma alors que j'en ai un sur mon connecteur, ça vient d'où? bleu foncé..
- borne 4: 2 qui va sur le module, mais le deuxième fil, le blanc 2R (M129) impossible de savoir où ça va... des idées?

Je révise toutes les connectiques et du coup je galère...

Dernière chose: mon connecteur de la platine P706E est constitué de 2 cosses et pas d'un connecteur, c'est normal?

Au fait, je ne l'avais pas encore fait, voici la voiture! la dernière 205 rallye à rouler sur terre, et à coup sur la dernière voiture à rouler sur terre en 13''

Merci
Fichiers joints
SCHEMA TU.jpg
WhatsApp Image 2019-06-24 at 13.44.41.jpeg
Avatar du membre
adri83
Régulier
Régulier
Messages : 43
Enregistré le : 05 janv. 2016, 17:43
Has thanked : 8 times
Been thanked : 8 times

Re: fils faisceau allumage 205 Rallye

Message par adri83 »

Brrooooooooaaaaaatatatata :mrgreen:
205 Rallye AM 90 77 000 km
Avatar du membre
kargal
Membre du Club 2026
Membre du Club 2026
Messages : 207
Enregistré le : 28 déc. 2002, 21:27
Localisation : Archelange
Has thanked : 37 times
Been thanked : 33 times

Re: fils faisceau allumage 205 Rallye

Message par kargal »

t' as pas le bon schema
Fichiers joints
Sans titre.png
Avatar du membre
jean
Membre du Club 2026
Membre du Club 2026
Messages : 19672
Enregistré le : 03 juin 2006, 09:29
Localisation : En Dombes
Has thanked : 1612 times
Been thanked : 1150 times

Re: fils faisceau allumage 205 Rallye

Message par jean »

Fait nous une présentation de ta 205 rallye "Terre" dans la section apropriée ! :ok:
on sera tous très curieux de la voir de près, son montage, des photos en action ! <oo>
La 205 rallye : Un modèle qui délivre l’une des expériences de conduite les plus radicales jamais proposées par une traction.
Avatar du membre
MIKA1198
Régulier
Régulier
Messages : 32
Enregistré le : 19 juin 2019, 10:24
Been thanked : 11 times

Re: fils faisceau allumage 205 Rallye

Message par MIKA1198 »

Merci Kargal, mon schéma faisceau est complet.

Oui jean, j'ai eu Adri83 qui m'en a parlé, c'est très cool, j'y mettrai un max d'info volontiers, j'espère juste que ce p***** d'allumage fonctionnera jusqu'à dimanche soir!
Travaux prévu demain et jeudi:
re-re-re vérification des masses et des faisceaux, parallélisme, mise en place des protèges carter et réservoir, des attaches, un tour dans le champs pour voir que rien ne bouge et on va allumer cierge à la gloire de notre dame de la 205 rallye pour qu'elle démarre vendredi.

A bientôt!
Avatar du membre
MIKA1198
Régulier
Régulier
Messages : 32
Enregistré le : 19 juin 2019, 10:24
Been thanked : 11 times

Re: fils faisceau allumage 205 Rallye

Message par MIKA1198 »

kargal a écrit :t' as pas le bon schema
En fait aucun des schémas de ce document ne semble correspondre complétement au moteur TU... la page que tu me montre indique la connexion sur le fil 4, celui qui manque à ma page est le 1... ce que j'ai trouvé de plus proche c'est le schéma de la revue technique, ci dessous:
Bon avec tout ça je devrais retrouver les masses et les points de mesure, pas de soucis, mais ça vaut le coup de creuser pour avoir un détail des raccords et des fils doublés.
A+ et merci de l'aide
Fichiers joints
schema RT 205 TU.png
Avatar du membre
MIKA1198
Régulier
Régulier
Messages : 32
Enregistré le : 19 juin 2019, 10:24
Been thanked : 11 times

Re: fils faisceau allumage 205 Rallye

Message par MIKA1198 »

Bon, fin de l'histoire du faisceau d'allumage:

Les schémas elec sont bons, mais les fils ne sont pas tous utilisés selon les modèles, au final les seuls câbles que nous avons conservé pour réduire le faisceau et ses avaries potentielles au minimum sont sur l'image ci dessous, même le compte tour a sauté (en rallye c'est pas top mais merci au parasitage sur la ligne de micro-casque qui était exactement proportionnelle à la vitesse moteur on pu faire ça à l'oreille). Le compte tour est peut-être même la cause des soucis car il est câblé sur la borne de rupture de la boucle primaire bobine (donné par le module).
sur ma 205 rallye les fils 2R blanc et 112C verts ne sont pas branchés (d'origine semble t'il).
Fichiers joints
bypass faisceau.jpg
Répondre

Retourner vers « Intérieur / electricité / carrosserie »