demain matin premiére heure j'essai
soucis electrique.. help je craque!!! (panne trouvé)
Règles du forum
Pour plus de simplicité, les règles d'utilisation du forum ont été revues et regroupées dans un seul et unique post.
Merci d'en prendre connaissance sans tarder en cliquant ici
Pour plus de simplicité, les règles d'utilisation du forum ont été revues et regroupées dans un seul et unique post.
Merci d'en prendre connaissance sans tarder en cliquant ici
- bougot
- Assidu

- Messages : 125
- Enregistré le : 10 nov. 2007, 22:09
- Localisation : Conflandey(70)
- Has thanked : 1 time
- Been thanked : 1 time
- Contact :
Re: soucis electrique.. help je craque!!!
je viens de les gratter mais j'ai pas essayé,la rallye et en dessous de la chambre du petit..
demain matin premiére heure j'essai
demain matin premiére heure j'essai
- rallye67
- Passionné

- Messages : 442
- Enregistré le : 23 mars 2007, 22:34
- Localisation : Alsace terre du wrc 2010, 2011, 2012 et 2013
Re: soucis electrique.. help je craque!!!
Salut vieux, change le neiman un pote a eu le cas un jour et personne aurai pensé a ce p.tin de truc

- Jacques G
- Assidu

- Messages : 162
- Enregistré le : 29 avr. 2008, 19:47
- Localisation : La Thieuloye (Près de st pol sur ternoise) Pas de calais
Re: soucis electrique.. help je craque!!!
Salut Bougot, je me pose une question bête: tu es sur que ton arbre à cames tourne?
2 205 Rallye F2000/11, 1 205 Rallye F2000/12, 1 205 Gti 1900 16S, 1 205 Griffe ss moteur, 1 205 Génération GPL, 1 205 diesel
- bougot
- Assidu

- Messages : 125
- Enregistré le : 10 nov. 2007, 22:09
- Localisation : Conflandey(70)
- Has thanked : 1 time
- Been thanked : 1 time
- Contact :
Re: soucis electrique.. help je craque!!!
salut rémi,rallye67 a écrit :Salut vieux, change le neiman un pote a eu le cas un jour et personne aurai pensé a ce p.tin de truc![]()
plus de neiman demarrage au bouton..
ca va toi??
Jacques G a écrit :Salut Bougot, je me pose une question bête: tu es sur que ton arbre à cames tourne?
ha oui et en changant mon mastervac je demonte le maitre cylindre et la je regarde dans le trou ou et fixé le mc et je m'apercoi qu'il y a un peu d'huile dans le trou!!
grave docteur..
-
lolo 44521
- Mordu

- Messages : 571
- Enregistré le : 25 juin 2012, 09:48
- Localisation : entre NANTES et ANCENIS
- Has thanked : 3 times
- Been thanked : 2 times
Re: soucis electrique.. help je craque!!!
bizarre cette panne controle ton faiseau,est ce que le moteur se lance bien ???
205 rallye de 88
c2 1.1 ça marche fort
Jaguar xf
Motoculteur Iseki avec charrue et rota

c2 1.1 ça marche fort
Jaguar xf
Motoculteur Iseki avec charrue et rota
- bougot
- Assidu

- Messages : 125
- Enregistré le : 10 nov. 2007, 22:09
- Localisation : Conflandey(70)
- Has thanked : 1 time
- Been thanked : 1 time
- Contact :
Re: soucis electrique.. help je craque!!!
oui mon moteur se lance bien
j'y comprend plus rien!!
bon des nouvels de ce soir...
je rentre de un de chez mes amis et ont n'a pris sa ralloche comme exemple ont a noté les fils ou il y avait du jus ou pas repére des fils bref tous ce qui pourrai me servir
apres inspection il me dit: ont va faire un tour de rallye? et moi: ouaiiii
trop longtemps!! et hop direction le ballon d'alsace... trop bon
bref je m'égare la!!
revenont a nos moutons;
donc en revenant a la maison je prend les mesures et tous etait comme lui
j'etait fou
bref je laisse couler je remonte faire un bisous au p'tit je redescend pour rependre les mesures regarder les masses et la j'en revient pas tous avait changé!!!!! elle va me rendre chevre
alors cette fois ci a la bobine j'ai du jus partout toute les premieres mesure en photos en debut de poste ont changé
pour etre plus clair avant sur la fiche de la bobine j'avais: (contact mis)
-1
3.5v env
-2
rien
-3
12.5v
-4
12.5v
et maintenant:
-1
12.5v
-2
12.5v
-3
12.5v
-4
12.5v
j'ai du jus partout et j'ai rien touché..
petite photos de ce soir..
bon des nouvels de ce soir...
je rentre de un de chez mes amis et ont n'a pris sa ralloche comme exemple ont a noté les fils ou il y avait du jus ou pas repére des fils bref tous ce qui pourrai me servir
trop longtemps!! et hop direction le ballon d'alsace... trop bon
bref je m'égare la!!
revenont a nos moutons;
donc en revenant a la maison je prend les mesures et tous etait comme lui
bref je laisse couler je remonte faire un bisous au p'tit je redescend pour rependre les mesures regarder les masses et la j'en revient pas tous avait changé!!!!! elle va me rendre chevre
alors cette fois ci a la bobine j'ai du jus partout toute les premieres mesure en photos en debut de poste ont changé
pour etre plus clair avant sur la fiche de la bobine j'avais: (contact mis)
-1
-2
-3
-4
et maintenant:
-1
-2
-3
-4
j'ai du jus partout et j'ai rien touché..
petite photos de ce soir..
- bougot
- Assidu

- Messages : 125
- Enregistré le : 10 nov. 2007, 22:09
- Localisation : Conflandey(70)
- Has thanked : 1 time
- Been thanked : 1 time
- Contact :
Re: soucis electrique.. help je craque!!!
v'la le chantier!!! et le pire dans l'histoire j'ai toujours pas d'etincelle a la bougie... 
heu elle est hanté ma ralloche??

heu elle est hanté ma ralloche??
- ying-yang
- Pilier de bar

- Messages : 1504
- Enregistré le : 26 nov. 2007, 23:22
- Localisation : Jarnioux, 69640, Beaujolais
- Has thanked : 69 times
- Been thanked : 24 times
Re: soucis electrique.. help je craque!!!
Bon, j'aurai bien aimé que ce soient les fusibles, comme ça, ça aurait été réglé.
Il n'y a pas un électricien auto près de chez toi ?
C'est peut-être un truc "con" gros comme le nez au milieu du visage, mais l’électricité, ça ne s'invente pas.
Perso, sur mon daily driver, j'avais un fil dénudé à force de frotter contre un autre fil, et le tout était bien emballé dans une gaine cannelée...
Je te dis pas la prise de tête pour localiser le problème...
Il n'y a pas un électricien auto près de chez toi ?
C'est peut-être un truc "con" gros comme le nez au milieu du visage, mais l’électricité, ça ne s'invente pas.
Perso, sur mon daily driver, j'avais un fil dénudé à force de frotter contre un autre fil, et le tout était bien emballé dans une gaine cannelée...
Je te dis pas la prise de tête pour localiser le problème...
"A woman is like an artichoke... you have to do a bit of work before you get to the heart." (in The Pink Panther)
- bougot
- Assidu

- Messages : 125
- Enregistré le : 10 nov. 2007, 22:09
- Localisation : Conflandey(70)
- Has thanked : 1 time
- Been thanked : 1 time
- Contact :
Re: soucis electrique.. help je craque!!!
moi aussi j'aurai aimé crois moi!!
la derniére tentative sera de changer le faiseau et si ca marche pas je fou le feu dedans!!!
et non je connais pas d'electricien auto a coté de chez moi... de train oui mais pas auto!!
la derniére tentative sera de changer le faiseau et si ca marche pas je fou le feu dedans!!!
et non je connais pas d'electricien auto a coté de chez moi... de train oui mais pas auto!!
-
lolo 44521
- Mordu

- Messages : 571
- Enregistré le : 25 juin 2012, 09:48
- Localisation : entre NANTES et ANCENIS
- Has thanked : 3 times
- Been thanked : 2 times
Re: soucis electrique.. help je craque!!!
bizarre t'as du jus a la bobine et aprés plus rien(ton fil qui va de la bobine a l'allumeur est bon??)autrement démonte ton allumeur en le laissant toucher masse débranche tous les fils sauf ceux de la bobine et celui qui va de la bobine a l'allumeur,met ton contact et fait le tourner a la main(tu ferra guise arbre a cames)et met ton multimetre sur une sortie pour voir si il ya du jus qui sort, et rechinte une masse sur l'allumeur essaye ont verra bien 
205 rallye de 88
c2 1.1 ça marche fort
Jaguar xf
Motoculteur Iseki avec charrue et rota

c2 1.1 ça marche fort
Jaguar xf
Motoculteur Iseki avec charrue et rota
- metslesgazs
- Amateur

- Messages : 17
- Enregistré le : 20 déc. 2008, 12:19
Re: soucis electrique.. help je craque!!!
Salut Christophe,
Bien rentré ? Attends avant de lui mettre le feu, je passerai en haute saone et on regardera ça
Bien rentré ? Attends avant de lui mettre le feu, je passerai en haute saone et on regardera ça
- metslesgazs
- Amateur

- Messages : 17
- Enregistré le : 20 déc. 2008, 12:19
Re: soucis electrique.. help je craque!!!
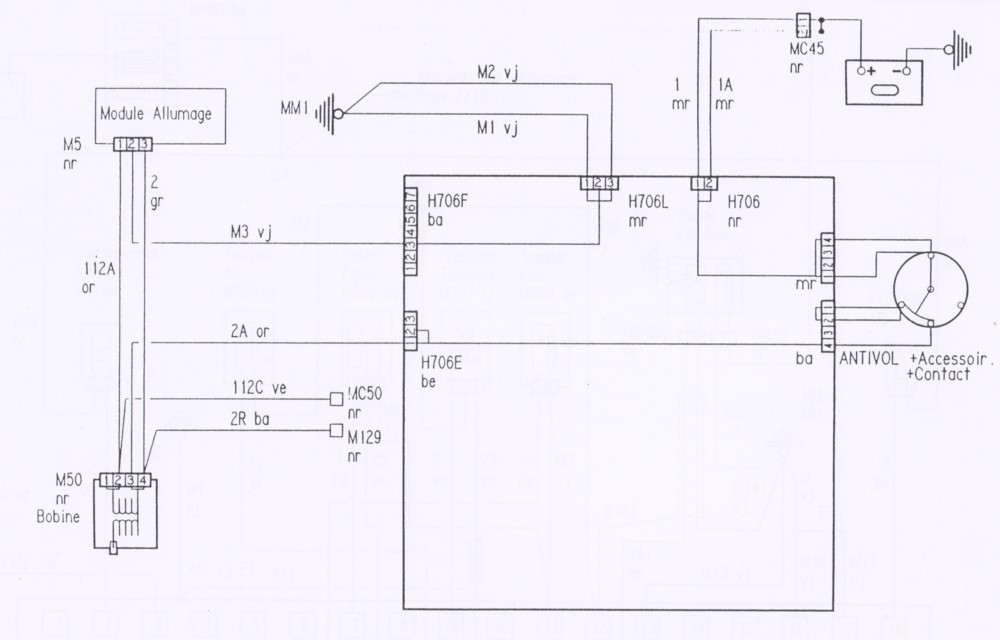
Premièrement,
contact coupé connecteur du module et de la bobine débranchés (multimètre sur ohmmètre)
la borne 2 du module doit être à la masse
vérifie la liaison entre la borne 1 du module et la borne 2 de la bobine
Deuxièmement,
rebranche les deux connecteurs et mets le contact (multimètre sur voltmètre DC)
côté bobine tu dois avoir du 12 volts en bornes 3 et 4
la borne 1 est pour le compte tours
côté module tu dois avoir du 12 volts borne 3
Si tout est ok, le problème est ailleurs ! Mets peut être des bougies
Sinon je t'emmène une boîte d'allumettes
Tiens moi au jus !
contact coupé connecteur du module et de la bobine débranchés (multimètre sur ohmmètre)
la borne 2 du module doit être à la masse
vérifie la liaison entre la borne 1 du module et la borne 2 de la bobine
Deuxièmement,
rebranche les deux connecteurs et mets le contact (multimètre sur voltmètre DC)
côté bobine tu dois avoir du 12 volts en bornes 3 et 4
la borne 1 est pour le compte tours
côté module tu dois avoir du 12 volts borne 3
Si tout est ok, le problème est ailleurs ! Mets peut être des bougies
Sinon je t'emmène une boîte d'allumettes
Tiens moi au jus !
- rallye67
- Passionné

- Messages : 442
- Enregistré le : 23 mars 2007, 22:34
- Localisation : Alsace terre du wrc 2010, 2011, 2012 et 2013
Re: soucis electrique.. help je craque!!!
Salut vieux, oui ça vas et toi??
c'est fou ton souci, regarde a nouveau les câblages de ton bouton de démarrage on n'y pense pas mais j'avais le coup sur un bouton qui bloquait la pompe a essence d'une 1,9l gti d'un pote, en faite une fois oxydé il donnait le jus quand il voulais et a la fin plus rien. Si je me trompe pas tu a 3 fils dessus pas que celui de l'allumage ne donne pas et que t'a juste le démarreur qui tourne. Regarde ou au pire tire des nouveaux pour éliminer sa aussi
c'est fou ton souci, regarde a nouveau les câblages de ton bouton de démarrage on n'y pense pas mais j'avais le coup sur un bouton qui bloquait la pompe a essence d'une 1,9l gti d'un pote, en faite une fois oxydé il donnait le jus quand il voulais et a la fin plus rien. Si je me trompe pas tu a 3 fils dessus pas que celui de l'allumage ne donne pas et que t'a juste le démarreur qui tourne. Regarde ou au pire tire des nouveaux pour éliminer sa aussi
- chupsy
- Mordu

- Messages : 527
- Enregistré le : 21 avr. 2005, 19:51
- Localisation : à la croisé des départements 68-70-88-90
- Has thanked : 1 time
- Been thanked : 4 times
Re: soucis electrique.. help je craque!!!
[quote="bougot"]oui mon moteur se lance bien
j'y comprend plus rien!!
bon des nouvels de ce soir...
je rentre de un de chez mes amis et ont n'a pris sa ralloche comme exemple ont a noté les fils ou il y avait du jus ou pas repére des fils bref tous ce qui pourrai me servir
apres inspection il me dit: ont va faire un tour de rallye? et moi: ouaiiii
trop longtemps!! et hop direction le ballon d'alsace... trop bon
fallait passer..
bon des nouvels de ce soir...
je rentre de un de chez mes amis et ont n'a pris sa ralloche comme exemple ont a noté les fils ou il y avait du jus ou pas repére des fils bref tous ce qui pourrai me servir
trop longtemps!! et hop direction le ballon d'alsace... trop bon
fallait passer..
- bougot
- Assidu

- Messages : 125
- Enregistré le : 10 nov. 2007, 22:09
- Localisation : Conflandey(70)
- Has thanked : 1 time
- Been thanked : 1 time
- Contact :
Re: soucis electrique.. help je craque!!!
salut didier,metslesgazs a écrit : Premièrement,
contact coupé connecteur du module et de la bobine débranchés (multimètre sur ohmmètre)
la borne 2 du module doit être à la masse
vérifie la liaison entre la borne 1 du module et la borne 2 de la bobine
Deuxièmement,
rebranche les deux connecteurs et mets le contact (multimètre sur voltmètre DC)
côté bobine tu dois avoir du 12 volts en bornes 3 et 4
la borne 1 est pour le compte tours
côté module tu dois avoir du 12 volts borne 3
Si tout est ok, le problème est ailleurs ! Mets peut être des bougies![]()
Sinon je t'emmène une boîte d'allumettes![]()
Tiens moi au jus !
oui bien rentré merci et sans se perdre!!
bon ecoute quand tu descend enméne une boite d'allumette quand meme ca peux servir!!
alors contact coupé la liaison entre la borne 1 du module et le borne 2 de la bobine se fait bien..
par contre connecteur rebranché et contact mis j'ai du 12v sur les 4 bornes de la bobine
salut remi ben ecoute ca irai mieux quand elle tournera!!rallye67 a écrit :Salut vieux, oui ça vas et toi??
c'est fou ton souci, regarde a nouveau les câblages de ton bouton de démarrage on n'y pense pas mais j'avais le coup sur un bouton qui bloquait la pompe a essence d'une 1,9l gti d'un pote, en faite une fois oxydé il donnait le jus quand il voulais et a la fin plus rien. Si je me trompe pas tu a 3 fils dessus pas que celui de l'allumage ne donne pas et que t'a juste le démarreur qui tourne. Regarde ou au pire tire des nouveaux pour éliminer sa aussi
je vais voir pour suprimer coupe contact et bouton de demarrage et repartir avec un neiman merci
ont aurai pu c'est vrai..chupsy a écrit :bougot a écrit :oui mon moteur se lance bienj'y comprend plus rien!!
![]()
bon des nouvels de ce soir...
je rentre de un de chez mes amis et ont n'a pris sa ralloche comme exemple ont a noté les fils ou il y avait du jus ou pas repére des fils bref tous ce qui pourrai me servirapres inspection il me dit: ont va faire un tour de rallye? et moi: ouaiiii
![]()
trop longtemps!! et hop direction le ballon d'alsace... trop bon![]()
fallait passer..
pas pensé sur le coup ce sera pour une prochaine...
