Car pour les têtes d’amortisseurs, ils sont noirs
ma rallye
Règles du forum
Pour plus de simplicité, les règles d'utilisation du forum ont été revues et regroupées dans un seul et unique post.
Merci d'en prendre connaissance sans tarder en cliquant ici
p.s : ce forum est réservé à la présentation de vos 205 Rallye et AX Sport, si vous souhaitez vous présenter vous, ou une autre auto, merci de vous rendre dans le forum adéquat
Pour plus de simplicité, les règles d'utilisation du forum ont été revues et regroupées dans un seul et unique post.
Merci d'en prendre connaissance sans tarder en cliquant ici
p.s : ce forum est réservé à la présentation de vos 205 Rallye et AX Sport, si vous souhaitez vous présenter vous, ou une autre auto, merci de vous rendre dans le forum adéquat
-
2zero5
- Membre du Club 2026

- Messages : 138
- Enregistré le : 08 mai 2011, 19:01
- Localisation : 35
- Has thanked : 8 times
- Been thanked : 8 times
Re: ma rallye
A priori ouizergo a écrit : 18 oct. 2025, 13:40 Ce n’est pas plutôt le connexion pour le Klaxon ?
Car pour les têtes d’amortisseurs, ils sont noirs![]()
-
2zero5
- Membre du Club 2026

- Messages : 138
- Enregistré le : 08 mai 2011, 19:01
- Localisation : 35
- Has thanked : 8 times
- Been thanked : 8 times
Re: ma rallye
Avant droit (sens de marche) il n'y a qu'un fil de masse noir rien d'autre, cf photo.
Avant gauche il y a le même et bien d'autres, cf photo.
Je précise que ma 205 est de 1988, full stock.
Avant gauche il y a le même et bien d'autres, cf photo.
Je précise que ma 205 est de 1988, full stock.
- jean
- Membre du Club 2026

- Messages : 19692
- Enregistré le : 03 juin 2006, 09:29
- Localisation : En Dombes
- Has thanked : 1621 times
- Been thanked : 1154 times
Re: ma rallye
+1 ! témoin d'usure de frein.
Tu enroules dans un coin et tu attaches avec un rilsan. Et pense à surveiller tes plaquettes.
Tu enroules dans un coin et tu attaches avec un rilsan. Et pense à surveiller tes plaquettes.
La 205 rallye : Un modèle qui délivre l’une des expériences de conduite les plus radicales jamais proposées par une traction.
Re: ma rallye
Bonjour
Est ce que vous auriez des photos du branchement du ventilateur dans la boîte fusible?
Apparemment il y a plusieurs branchements possibles.
Est ce que vous auriez des photos du branchement du ventilateur dans la boîte fusible?
Apparemment il y a plusieurs branchements possibles.
Re: ma rallye
Merci à toi
Je cherche comment se câble le ventilo?
Y a t il un faisceau supplémentaire entre le ventilo et la boîte noire?
Je cherche comment se câble le ventilo?
Y a t il un faisceau supplémentaire entre le ventilo et la boîte noire?
-
2zero5
- Membre du Club 2026

- Messages : 138
- Enregistré le : 08 mai 2011, 19:01
- Localisation : 35
- Has thanked : 8 times
- Been thanked : 8 times
Re: ma rallye
Fil jaune va en direct vers le + batterie
Fils marron partent vers le fond du compartiment moteur
Fil rouge part dans un faisceau qui pourrait aller vers le ventilateur
Fils marron partent vers le fond du compartiment moteur
Fil rouge part dans un faisceau qui pourrait aller vers le ventilateur
- zergo
- Pilier de bar

- Messages : 1789
- Enregistré le : 06 févr. 2012, 19:45
- Has thanked : 28 times
- Been thanked : 76 times
Re: ma rallye
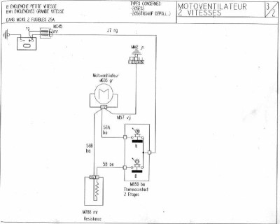
Ces schémas vont sûrement pouvoir t’aider
J’ai eu la même problème, sur la mienne, l’ensemble du radiateur/ branchement qui n’étaient plus d’origine et bidouillé..
J’ai eu la même problème, sur la mienne, l’ensemble du radiateur/ branchement qui n’étaient plus d’origine et bidouillé..
- jean-luc13
- Membre du Club 2026

- Messages : 13530
- Enregistré le : 20 févr. 2004, 11:48
- Localisation : dépt 13
- Has thanked : 493 times
- Been thanked : 1131 times
- Contact :
Re: ma rallye
Normalement il y a une grosse fiche plate grise pour le ventilo 

site Rallye13Photos: http://www.rallye13photos.com/
"le démarrage matinal d'une 205 Rallye ne sera jamais un acte banal" (Echappement)
Re: ma rallye
Bonjour
Il doit avoir un montage différent avec le thermocontact qui est placé à côté des carbus?
2 fils en plus
Il doit avoir un montage différent avec le thermocontact qui est placé à côté des carbus?
2 fils en plus
- Rallye 2
- Membre du Club 2026

- Messages : 782
- Enregistré le : 08 mai 2012, 10:17
- Localisation : Beaujolais
- Been thanked : 296 times
Re: ma rallye
Toute les rallye n ont pas été équipée de cette sonde au dessus des carbu , généralement les premières produites n en n'ont pas , ça servait a déclancher les ventilos pour éviter le vaporloc dans le e compartiment moteur. Peugeot les as monté par la suite, soit pas rappel des autos en concession, a monté soit même ou après monté d origine sur les chaînes d assemblage

